一、C口镜头尺寸到底是多少?
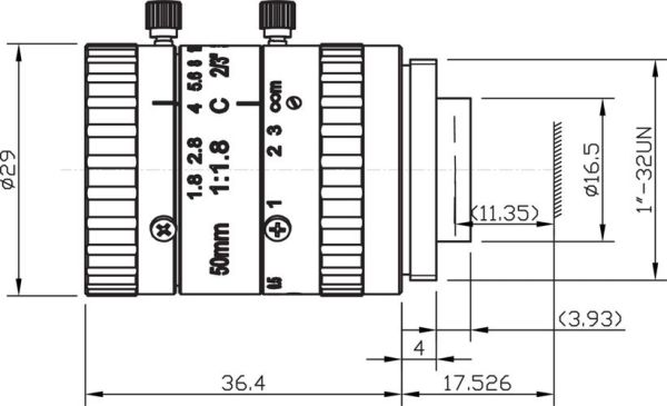
在工业相机、机器视觉、安防监控领域,**“C口”**几乎是绕不开的名词。它的标准尺寸由**螺纹外径1英寸(25.4 mm)**、**螺距32 TPI(每英寸32牙)**、**法兰距17.526 mm**三大核心参数构成。 很多人把CS口与C口混为一谈,其实两者只差**5 mm**的法兰距:CS口为12.5 mm,C口为17.526 mm。如果硬把C口镜头拧到CS口相机上,不加5 mm转接环,画面会出现**无法合焦**或**边缘模糊**。

二、为什么17.526 mm的法兰距如此关键?
法兰距指镜头最后一片玻璃到传感器成像面的距离。 • **短于17.526 mm**:像场无法完全覆盖传感器,四周发暗。 • **长于17.526 mm**:成像焦点落在传感器前方,画面整体虚焦。 因此,**任何C口镜头都必须保证机械后焦精确到±0.01 mm**,这对工业检测的高精度定位至关重要。
三、C口镜头常见焦距与靶面尺寸对照表
| 焦距 | 1/3" 传感器视场角 | 1/2" 传感器视场角 | 2/3" 传感器视场角 |
|---|---|---|---|
| 2.8 mm | 94° | 115° | 140° |
| 4 mm | 69° | 87° | 107° |
| 8 mm | 35° | 45° | 57° |
| 16 mm | 18° | 23° | 29° |
| 25 mm | 11° | 15° | 19° |
选型时,先确定**传感器对角线长度**,再按**工作距离÷被测物宽=焦距÷传感器宽**的公式反推所需焦距。
四、如何根据应用环境挑选C口镜头?
1. 分辨率与像元尺寸
当相机像元尺寸为**3.45 µm**、分辨率**5 MP**时,**MTF曲线在160 lp/mm处仍高于0.3**的镜头才配得上。若像元只有**2.2 µm**,却选普通标清镜头,**细节直接糊成一片**。
2. 光圈与景深
光圈F值越小,通光量越大,但景深越浅。 • **F1.4**:适合低照度,景深<1 mm,缺陷检测常用。 • **F4-F8**:兼顾亮度与景深,条码识别、定位引导场景首选。
3. 畸变控制
测量类应用必须选**TV畸变<0.1%**的低畸变镜头;普通监控可放宽到<1%。

五、C口镜头安装与调试常见疑问
Q:镜头拧到底仍无法聚焦?
A:检查相机是否为CS口,如是,加5 mm转接环即可。
Q:画面中心清晰边缘模糊?
A:多半是**靶面尺寸小于传感器**,例如把1/2"镜头用在2/3"相机上。
Q:红外日夜切换后虚焦?
A:普通玻璃在850 nm波段折射率变化大,需选**IR矫正镜头**或重新调焦。
六、实战案例:3C外壳缺陷检测如何选C口镜头
需求:检测手机中框0.05 mm划痕,相机2/3" 5 MP,像元3.45 µm,工作距离200 mm,视野40 mm×30 mm。 步骤: 1. 计算放大倍率:0.04 m ÷ 0.011 m ≈ 0.36×。 2. 反推焦距:f = 200 mm × 0.36 ≈ 25 mm。 3. 选**25 mm C口低畸变镜头**,光圈F4,MTF≥0.4@145 lp/mm,TV畸变<0.05%。 4. 加装**同轴光源**与**偏振片**,消除反光。 结果:划痕对比度提升3倍,漏检率降至0.02%。
七、未来趋势:C口镜头会消失吗?
随着S口、M58口大靶面相机普及,有人担心C口会被淘汰。但**C口凭借成熟的供应链、低成本、小体积**,在1"以下传感器市场依旧不可替代。尤其在**嵌入式AI相机、无人机载荷、医疗内窥镜**等场景,C口镜头正以**轻量化、高分辨率、抗振动**的新形态继续演进。

还木有评论哦,快来抢沙发吧~